சீல் தொழில்நுட்பத்தின் கண்டுபிடிப்புகளில் ருய்சென் முன்னணியில் உள்ளது. சுயாதீனமாக உருவாக்கப்பட்ட உயர் அழுத்த தூசி முத்திரைகள் நகரும் பகுதிகளின் தூசி-ஆதார கோரிக்கைகளை துல்லியமாக நங்கூரமிடுகின்றன, மேலும் சிறந்த பாதுகாப்பை உருவாக்க PTFE தூசி மோதிரங்கள் மற்றும் ஓ-மோதிரங்களைப் பயன்படுத்துகின்றன. வேலை செய்யும் போது, ஓ-ரிங் எல்லா நேரங்களிலும் PTFE வளையத்தின் உடைகளை ஈடுசெய்ய ஒரு நிலையான முன் ஏற்றுதலைப் பயன்படுத்துகிறது, இது முத்திரையின் நீண்டகால நிலைத்தன்மையை உறுதி செய்கிறது; தூசி மோதிரம் தூசி படையெடுப்பை வலுவாக எதிர்க்க உடைகள் நிரப்பும் பொருட்களைப் பயன்படுத்துகிறது. எடுத்துக்காட்டாக, கட்டுமான இயந்திரங்களின் ஹைட்ராலிக் சிலிண்டர்களின் மூட்டுகளில், கட்டுமான தளத்தில் தூசியை எதிர்கொள்ளும், உயர் அழுத்த தூசி முத்திரைகள் தூசி ஊடுருவலைத் திறந்து தடுக்கிறது மற்றும் சிலிண்டரின் மென்மையான செயல்பாட்டை உறுதி செய்கின்றன; தானியங்கி உற்பத்தி வரிசையின் ரோபோ கையின் பரஸ்பர ஸ்விங் இணைப்பு, அதன் தூசி முத்திரைகள் துல்லியமான பகுதிகளை தூசி குறுக்கீட்டிலிருந்து பாதுகாக்கின்றன மற்றும் அதிக துல்லியமான செயல்பாடுகளை பராமரிக்கின்றன; சுரங்க உபகரணங்களின் சுழல் தெரிவிக்கும் சாதனம், தாது தூசி சூழலில், உயர் அழுத்த தூசி முத்திரைகள் சாதனங்களின் நிலையான செயல்பாட்டை உறுதிசெய்கின்றன, சாத்தியமான தவறுகளை குறைக்கின்றன, மேலும் உபகரணங்களின் ஆயுளை நீட்டிக்கின்றன. ருய்சென் சீல் நீண்ட காலமாக ஆழ்ந்த வளர்ச்சியில் கவனம் செலுத்தி வருகிறது. ஒரு தொழில்முறை குழு மற்றும் அதிநவீன வசதிகளை நம்பி, இது வாடிக்கையாளர் தேவைகளுக்கு ஏற்ப உயர் செயல்திறன் கொண்ட சீல் பொருட்களைத் தனிப்பயனாக்குவதோடு, உற்பத்தித் தரத்தை சுயாதீனமாக கட்டுப்படுத்துவதோடு மட்டுமல்லாமல், பாலிஆக்ஸிமெதிலீன் போன்ற பணக்கார மற்றும் மாறுபட்ட பொருட்களையும் ஒதுக்கி வைக்க முடியும், மேலும் வாடிக்கையாளர்களுக்கு ஒரு நிறுத்தத்தில் பல்வேறு சீல் சிக்கல்களைக் கடக்க உதவுகிறது மற்றும் தொழில்துறையில் புதிய உயரத்தை அடைய உதவுகிறது.
தூசி நிறைந்த சீல் வேலை நிலைமைகள்
| சுயவிவரம் | மாதிரி | வெப்பநிலை (℃) | வேகம் (மீ/வி) | ஊடகங்கள் |
![]() |
RCF01 | -35 ~+100 (பொருந்தும் ஓ-ரிங் என்.பி.ஆர்) | 6 | ஹைட்ராலிக் எண்ணெய், குழம்பு, நீர் போன்றவை. |
| -20 ~+200 (பொருந்தும் ஓ-ரிங் எஃப்.கே.எம்) | ||||
![]() |
RCF02 | -35 ~+100 (பொருந்தும் ஓ-ரிங் என்.பி.ஆர்) | 6 | ஹைட்ராலிக் எண்ணெய், குழம்பு, நீர் போன்றவை. |
| -20 ~+200 (பொருந்தும் ஓ-ரிங் எஃப்.கே.எம்) | ||||
![]() |
RCF03 | -35 ~+100 (பொருந்தும் ஓ-ரிங் என்.பி.ஆர்) | 6 | ஹைட்ராலிக் எண்ணெய், குழம்பு, நீர் போன்றவை. |
| -20 ~+200 (பொருந்தும் ஓ-ரிங் எஃப்.கே.எம்) | ||||
![]() |
RCF04 | -35 ~+100 (பொருந்தும் ஓ-ரிங் என்.பி.ஆர்) | 6 | ஹைட்ராலிக் எண்ணெய், குழம்பு, நீர் போன்றவை. |
| -20 ~+200 (பொருந்தும் ஓ-ரிங் எஃப்.கே.எம்) | ||||
![]() |
RCF05 | -35 ~+100 (பொருந்தும் ஓ-ரிங் என்.பி.ஆர்) | 6 | ஹைட்ராலிக் எண்ணெய், குழம்பு, நீர் போன்றவை. |
| -20 ~+200 (பொருந்தும் ஓ-ரிங் எஃப்.கே.எம்) |
வரிசைப்படுத்தும் எடுத்துக்காட்டு:
ஆர்டர் மாதிரி RCF01-80-PTFE3-R01
RCF01-மாடல் 80-ஷாஃப்ட் விட்டம் PTFE3-UNIVERSAL மாற்றியமைக்கப்பட்ட PTFE R01-பொருத்துதல் ரப்பர் பொருள் குறியீடு
நைட்ரைல் ரப்பர் (NBR) -R01 ஃப்ளோரோரோபர் (FKM) -R02
ஆர்டர் மாதிரி RCF02-80-PTFE3-R01
RCF02-மாடல் 80-ஷாஃப்ட் விட்டம் PTFE3-GENERAL மாற்றியமைக்கப்பட்ட PTFER01-பொருத்துதல் ரப்பர் பொருள் குறியீடு
NBR (NBR) -R01 flororubber (FKM) -R02
ஆர்டர் மாதிரி RCFO3-80-PTFE3 -R01
RCF03-மாடல் 80-ஷாஃப்ட் விட்டம் PTFE3-GENERAL மாற்றியமைக்கப்பட்ட PTFE R01-பொருத்துதல் ரப்பர் பொருள் குறியீடு
நைட்ரைல் ரப்பர் (NBR) -R01 ஃப்ளோரோரோபர் (FKM) -R02
ஆர்டர் மாதிரி RCF04-80-PTFE3-R01
RCF04-மாதிரி 80-ஷாஃப்ட் விட்டம் PTFE3-GENERAL மாற்றியமைக்கப்பட்ட PTFE R01-பொருத்துதல் ரப்பர் பொருள் குறியீடு
நைட்ரைல் ரப்பர் (NBR) -R01 ஃப்ளோரோரோபர் (FKM) -R02
ஆர்டர் மாதிரி RCF04-80-PTFE3-R01
RCF04-மாதிரி 80-ஷாஃப்ட் விட்டம் PTFE3-GENERAL மாற்றியமைக்கப்பட்ட PTFE R01-பொருத்துதல் ரப்பர் பொருள் குறியீடு
நைட்ரைல் ரப்பர் (NBR) -R01 ஃப்ளோரோரோபர் (FKM) -R02
ஆர்டர் மாதிரி RCF05-80-PTFE3-R01
RCF05-மாடல் 80-ஷாஃப்ட் விட்டம் PTFE3-GENERAL மாற்றியமைக்கப்பட்ட PTFE R01-பொருத்துதல் ரப்பர் பொருள் குறியீடு
நைட்ரைல் ரப்பர் (NBR) -R01 ஃப்ளோரோரோபர் (FKM) -R02
விவரக்குறிப்புகள்:
| RCF01 விவரக்குறிப்புகள் (அளவுரு வரம்பிற்குள் எந்த அளவின் தயாரிப்புகளையும் வழங்கலாம்) | ||||||
| தண்டு விட்டம் வரம்பு டி எஃப் 8 |
பள்ளம் விட்டம் டி எச் 9 |
பள்ளம் அகலம் L+0.2 |
திறந்த துளை விட்டம் D1 எச் 11 |
திறந்த துளை அகலம் a≥ |
வட்டமான மூலைகள் R≤ |
ஓ-ரிங் கம்பி விட்டம் d0 |
| 19 ~ 39 | டி+7.6 | 4.2 | டி+1.5 | 3 | 0.8 | 2.65 |
| 40 ~ 69 | டி+8.8 | 6.3 | டி+1.5 | 3 | 0.8 | 2.65 |
| 70 ~ 139 | டி+12.2 | 8.1 | டி+2.0 | 4 | 0.8 | 3.55 |
| 140 ~ 399 | டி+16.0 | 9.5 | டி+2.5 | 5 | 1.5 | 5.30 |
| 400 ~ 649 | டி+24.0 | 14 | டி+2.5 | 8 | 1.5 | 7.00 |
| 650 ~ 1500 | டி+27.3 | 16 | டி+2.5 | 10 | 2.0 | 8.60 |
| RCF02, RCF03 விவரக்குறிப்பு அளவுரு அட்டவணை (அளவுரு வரம்பிற்குள் எந்த அளவின் தயாரிப்புகளும் வழங்கப்படலாம்) | ||||||
| தண்டு விட்டம் வரம்பு டி எஃப் 8 |
பள்ளம் விட்டம் டி எச் 9 |
பள்ளம் அகலம் L+0.2 |
திறந்த துளை விட்டம் D1 எச் 11 |
திறந்த துளை அகலம் a≥ |
வட்டமான மூலைகள் R≤ |
ஓ-ரிங் கம்பி விட்டம் d0 |
| 4 ~ 11 | டி+4.8 | 3.7 | டி+1.5 | 2 | 0.4 | 1.8 |
| 12 ~ 64 | டி+6.8 | 5 | டி+1.5 | 2 | 0.7 | 2.65 |
| 65 ~ 250 | டி+8.8 | 6 | டி+1.5 | 3 | 1.0 | 3.55 |
| 251 ~ 420 | டி+12.2 | 8.4 | டி+2.0 | 4 | 1.5 | 5.30 |
| 421 ~ 650 | டி+16.0 | 11 | டி+2.0 | 4 | 1.5 | 7.00 |
| 651 ~ 1500 | டி+20.0 | 14 | டி+2.5 | 5 | 2.0 | 8.60 |
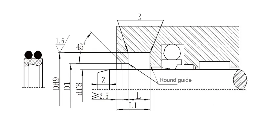
| RCF04 விவரக்குறிப்பு அளவுரு அட்டவணை (அளவுரு வரம்பிற்குள் எந்த அளவின் தயாரிப்புகளையும் வழங்க முடியும்) | ||||||
| தண்டு விட்டம் வரம்பு டி எஃப் 8 |
பள்ளம் விட்டம் DH9 |
படி விட்டம் டி 1 எச் 11 |
பள்ளம் அகலம் L+0.2 |
ஒட்டுமொத்த அகலம் எல் 1 |
சுற்று மூலைகள் Rmax | சேம்பர் நீளம் Zmin |
| 20 ~ 39.9 | டி+7.6 | டி+1 | 4.2 | 8.2 | 0.4 | 3 |
| 40 ~ 69.9 | டி+8.8 | டி+1.5 | 6.3 | 10.3 | 1.2 | 4 |
| 70 ~ 139.9 | டி+12.2 | டி+2.0 | 8.1 | 12.1 | 2 | 6 |
| 140 ~ 399.9 | டி+16.0 | டி+2.0 | 11.5 | 15.5 | 2 | 8 |
| 400 ~ 649.9 | டி+24.0 | டி+2.5 | 15.5 | 19.5 | 2 | 10 |
| 650 ~ 1000 | டி+27.3 | டி+2.5 | 18.0 | 23.0 | 2 | 12 |
| RCF05 விவரக்குறிப்பு அளவுரு அட்டவணை (அளவுரு வரம்பிற்குள் எந்த அளவின் தயாரிப்புகளையும் வழங்க முடியும்) | ||||||
| தண்டு விட்டம் வரம்பு டி எஃப் 8 | பள்ளம் விட்டம் DH9 | படி விட்டம் டி 1 எச் 11 | பள்ளம் அகலம் L+0.2 |
பக்க அகலம் எல் 1 |
சுற்று மூலைகள் Rmax |
சேம்பர் நீளம் Zmin |
| 100 ~ 229 | டி+22.2 | டி+10.7 | 6.3 | 4.2 | 1.2 | 6 |
| 230 ~ 299 | டி+24.2 | டி+10.7 | 6.3 | 4.2 | 1.2 | 8 |
| 300 ~ 629 | டி+33.0 | டி+15.1 | 8.1 | 6.3 | 1.2 | 10 |
| 630 ~ 1000 | டி+36.5 | டி+15.1 | 9.5 | 6.3 | 2 | 12 |
பயன்பாடு:
முக்கியமாக விவசாய இயந்திரங்கள், ஹைட்ராலிக் பிரஸ், இன்ஜெக்ஷன் மோல்டிங் இயந்திரங்கள், ஹைட்ராலிக் கட்டுப்பாட்டு அமைப்புகள், ஃபோர்க்லிஃப்ட்ஸ், ரோலர் பிரஸ், கிரேன்கள், ஏற்றுதல் மற்றும் இறக்குதல் இயந்திரங்கள் போன்றவற்றில் பயன்படுத்தப்படுகிறது.











முகவரி
No.1 Ruichen Road, Dongliuting Industrial Park, Chengyang District, Qingdao City, Shandong Province, China
டெல்
மின்னஞ்சல்