ரோட்டரி முத்திரைகள் திருப்புதல் தேவைப்படும் ஒவ்வொரு சூழ்நிலைக்கும் "பாதுகாப்பு-அழுத்த எதிர்ப்பு-நீண்ட கால" டிரினிட்டி தீர்வை வழங்க நாங்கள் கடமைப்பட்டுள்ளோம். 200+ பொருள் சூத்திரங்கள் மற்றும் கட்டமைப்பு காப்புரிமைகள் மூலம், வாடிக்கையாளர்களுக்கு தோல்வி விகிதங்களைக் குறைக்கவும், TCO தேர்வுமுறை அடையவும் நாங்கள் உதவுகிறோம். தயாரிப்பு மாதிரிகளின் முழுத் தொடர் மிகவும் மாறுபட்டது. உண்மையான தேவைகளுக்கு ஏற்ப நீங்கள் தேர்வு செய்யலாம் அல்லது எங்களிடமிருந்து ரோட்டரி முத்திரைகளைத் தனிப்பயனாக்கலாம்.
RCR101 ரோட்டரி எலும்புக்கூடு ஒற்றை லிப் சீல், ஒற்றை நடிப்பு, அச்சு திறந்த பள்ளம் நிறுவல், பரவலாகப் பயன்படுத்தப்படுகிறது, பெரும்பாலும் தாங்கு உருளைகளுக்கு ஒரு பாதுகாப்பு உறுப்பாக பயன்படுத்தப்படுகிறது.
ஆர்.சி.ஆர் 102 ரோட்டரி எலும்புக்கூடு இரட்டை உதடு முத்திரை, ஒற்றை நடிப்பு, டஸ்ட்ரூஃப் துணை உதடு, அச்சு திறந்த பள்ளம் நிறுவலுடன், பரவலாகப் பயன்படுத்தப்படுகிறது, பெரும்பாலும் தாங்கு உருளைகளுக்கு ஒரு பாதுகாப்பு உறுப்பாக பயன்படுத்தப்படுகிறது.
ஆர்.சி.ஆர் 103 ரோட்டரி முத்திரை, இரட்டை நடிப்பு, ஆதரவு வளையத்துடன், உயர் அழுத்த ரோட்டரி சீல் நிலைமைகளின் கீழ் சிறந்த சீல் விளைவு.
ஆர்.சி.ஆர் 104, ஆர்.சி.ஆர் 105 ரோட்டரி முத்திரை, இரட்டை நடிப்பு, குறுகிய பள்ளம், நிலையான பள்ளம் உட்பொதித்தல் மற்றும் பல் சீல் மேற்பரப்பு.
ஆர்.சி.ஆர் 106, ஆர்.சி.ஆர் 107 வி-வடிவ ரோட்டரி முத்திரை, அச்சு இயக்கம், பெரிய மீள் மாடுலஸ், உராய்வு எதிர்ப்பு, தூசி, மாசுபடுத்திகள், நீர் ஸ்பிளாஸ், எண்ணெய் ஸ்பிளாஸ் போன்றவை.
RCR108 ரோட்டரி முத்திரை, ஒற்றை நடிப்பு, வசந்தம் இல்லை, உள் மற்றும் வெளிப்புற உதடுகளின் குறுக்கீடு வெவ்வேறு வேலை நிலைமைகளுக்கு ஏற்ப தீர்மானிக்கப்படுகிறது.
RCR109 O-ரிங், மீள் வளையம் பெரும்பாலும் நிலையான சீல் அல்லது டைனமிக் சீல், நெகிழ்வான வெப்பநிலை நடுத்தர தேர்வுக்கு பயன்படுத்தப்படுகிறது. விரிவான பள்ளங்களுக்கு, தயவுசெய்து ஓ-ரிங் மாதிரியைப் பார்க்கவும்.
RCR110 ரோட்டரி டெட்ராஃப்ளூரோஎதிலீன் முத்திரை தண்டு, இரட்டை நடிப்பு, குறுகிய பள்ளங்களுக்கு ஏற்றது.
RCR111 ரோட்டரி டெட்ராஃப்ளூரோஎதிலீன் முத்திரை துளை, இரட்டை நடிப்பு, குறுகிய பள்ளங்களுக்கு ஏற்றது.
RCR112 ரோட்டரி முத்திரை, இரட்டை நடிப்பு, குறுகிய பள்ளம், உயவூட்டப்பட்ட வேலை நிலைமைகளுக்கு ஏற்றது.
ஆர்.சி.ஆர் 113 ரோட்டரி சீல், இரட்டை நடிப்பு, ஆதரவு வளையத்துடன், நிலையான பள்ளம் உட்பொதித்தல், பெரிய வெளியேற்ற இடைவெளி மற்றும் அழுத்தத்தை அனுமதிக்கிறது, பெரும்பாலும் அகழ்வாராய்ச்சி கருவிகளின் சுழலும் தண்டு மீது பயன்படுத்தப்படுகிறது.
ஆர்.சி.ஆர் 115 ரோட்டரி டெட்ராஃப்ளூரோஎதிலீன் முத்திரை தண்டு, இரட்டை நடிப்பு, குறைந்த உராய்வு, எதிர்ப்பு உயர் அழுத்தம், உயர் வெப்பநிலை அரிப்பு.
RCR116 துளை, இரட்டை நடிப்பு, குறைந்த உராய்வு, பக்க எதிர்ப்பு உயர் அழுத்தம், உயர் வெப்பநிலை அரிப்பு ஆகியவற்றிற்கான ரோட்டரி டெட்ராஃப்ளூரோஎதிலீன் முத்திரை.
ஆர்.சி.ஆர் 117, ஆர்.சி.ஆர் 121 ரோட்டரி பி.டி.எஃப்.இ முத்திரை, மாண்டர் ஸ்பிரிங், ஒற்றை நடிப்பு, உயர் வெப்பநிலை அரிப்பு எதிர்ப்பு, ஒப்பீட்டளவில் அதிவேக மற்றும் உயர் அழுத்தத்திற்கு ஏற்றது.
ஆர்.சி.ஆர் 118 எண்ட் பி.டி.எஃப்.இ ரோட்டரி முத்திரை, மாண்டர் ஸ்பிரிங், ஒற்றை நடிப்பு, உயர் வெப்பநிலை அரிப்பு எதிர்ப்பு, பெரும்பாலும் வேதியியல் துறையில் பயன்படுத்தப்படுகிறது.
RCR119 ரோட்டரி எலும்புக்கூடு ஒற்றை உதடு முத்திரை, ஒற்றை நடிப்பு, அச்சு திறந்த பள்ளம் நிறுவல், பரவலாகப் பயன்படுத்தப்படுகிறது, பெரும்பாலும் தாங்கு உருளைகளுக்கு ஒரு பாதுகாப்பு உறுப்பாக பயன்படுத்தப்படுகிறது.
RCR201, RCR202 ரோட்டரி எலும்புக்கூடு இரட்டை உதடு முத்திரை, ஒற்றை நடிப்பு, டஸ்ட்ரூஃப் துணை உதடு, அச்சு திறந்த பள்ளம் நிறுவல், பரவலாகப் பயன்படுத்தப்படுகிறது, பெரும்பாலும் தாங்கு உருளைகளுக்கு ஒரு பாதுகாப்பு உறுப்பாக பயன்படுத்தப்படுகிறது.
ஆர்.சி.ஆர் 203, ஆர்.சி.ஆர் 204 ரோட்டரி எலும்புக்கூடு இல்லாத ஒற்றை லிப் சீல், ஒற்றை நடிப்பு, அச்சு திறந்த பள்ளம் பொருத்துதல் நிலையான நிறுவல், பெரும்பாலும் உலோகவியல் மற்றும் கப்பல் கட்டும் போன்ற கனரக தொழில்களில் பயன்படுத்தப்படுகிறது.
RCR205 கட்-ஆஃப் ரோட்டரி எலும்புக்கூடு இல்லாத ஒற்றை லிப் சீல், ஒற்றை நடிப்பு, அச்சு திறந்த பள்ளம் பொருத்தப்பட்ட நிலையான நிறுவல், பெரும்பாலும் உலோகம் மற்றும் கப்பல் கட்டுதல் போன்ற கனரக தொழில்களில் பயன்படுத்தப்படுகிறது.
RCR206, RCR207 கட்-ஆஃப் ரோட்டரி ஃப்ரேம்லெஸ் ஒற்றை லிப் சீல், ஒற்றை நடிப்பு, அச்சு திறந்த பள்ளம் பொருத்துதல் நிலையான நிறுவல், பெரும்பாலும் உலோகவியல் மற்றும் கப்பல் கட்டும் போன்ற கனரக தொழில்களில் பயன்படுத்தப்படுகிறது. குறைந்த வேக சீல் செய்வதற்கு ஏற்றது, சீல் ஊடகம் லித்தியம் அடிப்படையிலான கிரீஸ் ஆகும்.
தயாரிப்பு அம்சங்கள் மற்றும் பயன்பாடுகள்:
முக்கிய பயன்பாடுகள்
டர்னிங் ரோட்டரி முத்திரைகள் சுழலும் தண்டு முடிவு சீல், சுழலும் தண்டு சீல், அகழ்வாராய்ச்சிகள், கிராப்பர்கள், ரோட்டரி மூட்டுகள், ரோட்டரி விநியோகஸ்தர்கள், மற்றும் இந்த வகை முத்திரை பெரும்பாலும் பெட்ரோலியம் மற்றும் வேதியியல் தொழில்களில் பயன்படுத்தப்படுகிறது
நன்மைகள்
டர்னிங் ரோட்டரி முத்திரைகள் பரந்த அளவிலான தகவமைப்பு ஊடகங்கள் மற்றும் வெப்பநிலை வரம்புகள், நல்ல சீல் விளைவு, உயர் அழுத்த எதிர்ப்பு, சிறிய குறுக்கு வெட்டு அளவு, ஹைட்ராலிக் எண்ணெய் எதிர்ப்பு, குறைந்த உராய்வு மற்றும் குச்சி-சீட்டு நிகழ்வு இல்லை.

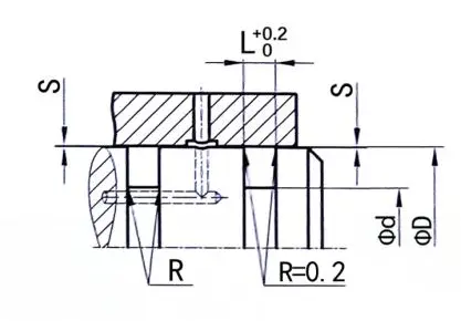
RCR101
ஆர்டர் அளவு
Φd ...... வெளிப்புற விட்டம்
Φd ...... உள் விட்டம்
எல் ...... பள்ளம் அகலம்
|
மேற்பரப்பு பூச்சு |
R tmax (μm) |
ஆர்.ஏ (μm) |
|
நெகிழ் மேற்பரப்பு பொருந்தும் ரப்பர்/பாலியூரிதீன் முத்திரைகள் நெகிழ் மேற்பரப்பு பொருந்தும் PTFE முத்திரைகள் |
.5 .5
≤2 |
≤0.1-0.5
≤0.05-0.3 |
|
பள்ளம் கீழே பள்ளம் பக்க |
≤6.3 ≤15 |
≤1.6 ≤3 |
|
TP சுயவிவர ஆதரவு நீள விகிதம் |
50%-95% |
|
|
சகிப்புத்தன்மை |
|
|
Φd |
எஃப் 8 |
|
. டி |
எச் 8 |
வரிசைப்படுத்தும் உதாரணம்
மாதிரி: RCR101
பள்ளம் அளவு: 100x115x8
பொருள்: NBR/POM

முத்திரை வகை: RCR101, RCR102
முக்கிய பயன்பாடு: சுழலும் தண்டு முடிவு சீல் செய்ய ஏற்றது
நன்மைகள்: பரந்த அளவிலான ஊடகங்கள், பரந்த வெப்பநிலை வரம்பு மற்றும் நல்ல சீல் விளைவுக்கு ஏற்றது
பொருள்: பாலியூரிதீன், ரப்பர்/பாலிஆக்ஸிமெதிலீன்
|
பள்ளம் எடுத்துக்காட்டுகளை முத்திரையுங்கள் |
பின்வருபவை நிலையான பள்ளம் பரிமாணங்கள் (அளவு வரம்பிற்குள் எந்த அளவின் ரோட்டரி முத்திரைகள் தயாரிக்கப்படலாம்) |
|||||
|
|
|
Φd |
. டி |
L |
c/s |
|
|
6-59.9 |
Φd+12 |
7 |
6 |
|||
|
60-139.9 |
Φd+15 |
8 |
7.5 |
|||
|
140-299.9 |
Φd+20 |
10 |
10 |
|||
|
300-499.9 |
Φd+30 |
12 |
15 |
|||
|
500-800 |
Φd+40 |
20 |
20 |
|||
|
> 800 |
Φd+50 |
22 |
25 |
|||

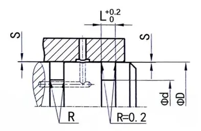
RCR115
ஆர்டர் அளவு
Φd ...... வெளிப்புற விட்டம்
Φd ...... உள் விட்டம்
எல் ...... பள்ளம் அகலம்
|
மேற்பரப்பு பூச்சு |
R tmax (μm) |
ஆர்.ஏ (μm) |
|
நெகிழ் மேற்பரப்பு பொருந்தும் ரப்பர்/பாலியூரிதீன் முத்திரைகள் நெகிழ் மேற்பரப்பு பொருந்தும் PTFE முத்திரைகள் |
.5 .5
≤2 |
≤0.1-0.5
≤0.05-0.3 |
|
பள்ளம் கீழே பள்ளம் பக்க |
≤6.3 ≤15 |
≤1.6 ≤3 |
|
TP சுயவிவர ஆதரவு நீள விகிதம் |
50%-95% |
|
|
சகிப்புத்தன்மை |
|
|
Φd |
எஃப் 8 |
|
. டி |
எச் 8 |
வரிசைப்படுத்தும் உதாரணம்
மாதிரி: RCR115
பள்ளம் அளவு: 100x111x4.2
பொருள்: ptfe4+nbr

முத்திரை வகை: RCR115
முக்கிய பயன்பாடு: ரோட்டரி தண்டு முத்திரைகள், அகழ்வாராய்ச்சிகள், கிராப்பர்கள், ஸ்விவல் மூட்டுகளுக்கு ஏற்றது.
நன்மைகள்: இது உயர் அழுத்தத்தை எதிர்க்க முடியும், சிறிய குறுக்கு வெட்டு அளவைக் கொண்டுள்ளது, ஹைட்ராலிக் எண்ணெயை எதிர்க்கும், குறைந்த உராய்வைக் கொண்டுள்ளது மற்றும் குச்சி-சீட்டு நிகழ்வு இல்லை.
பொருள்: டெட்ராஃப்ளூரோஎதிலீன் + நைட்ரைல் ரப்பர் அல்லது ஃப்ளோரோரோபர்
|
பள்ளம் எடுத்துக்காட்டுகளை முத்திரையுங்கள் |
பின்வருபவை நிலையான பள்ளம் பரிமாணங்கள் (அளவு வரம்பிற்குள் எந்த அளவின் ரோட்டரி முத்திரைகள் தயாரிக்கப்படலாம்) |
||||||||
|
|
|
Φd |
. டி |
L |
R |
X |
அதிகபட்ச வெளியேற்ற இடைவெளி கள் |
||
|
100bar |
200bar |
||||||||
|
6-18.9 |
Φd+4.9 |
2.2 |
0.4 |
1.78 |
0.15 |
0.10 |
|||
|
19-37.9 |
Φd+7.5 |
3.2 |
0.6 |
2.62 |
0.20 |
0.15 |
|||
|
38-199.9 |
Φd+11 |
4.2 |
1.0 |
3.53 |
0.25 |
0.20 |
|||
|
200-255.9 |
Φd+15.5 |
6.3 |
1.3 |
5.33 |
0.30 |
0.25 |
|||
|
256-649.9 |
Φd+21 |
8.1 |
1.8 |
7.00 |
0.30 |
0.25 |
|||
|
50 650 |
Φd+28 |
9.5 |
2.5 |
8.40 |
0.45 |
0.30 |
|||

RCR116
ஆர்டர் அளவு
Φd ...... வெளிப்புற விட்டம்
Φd ...... உள் விட்டம்
எல் ...... பள்ளம் அகலம்
|
மேற்பரப்பு பூச்சு |
R tmax (μm) |
ஆர்.ஏ (μm) |
|
நெகிழ் மேற்பரப்பு பொருந்தும் ரப்பர்/பாலியூரிதீன் முத்திரைகள் நெகிழ் மேற்பரப்பு பொருந்தும் PTFE முத்திரைகள் |
.5 .5
≤2 |
≤0.1-0.5
≤0.05-0.3 |
|
பள்ளம் கீழே பள்ளம் பக்க |
≤6.3 ≤15 |
≤1.6 ≤3 |
|
TP சுயவிவர ஆதரவு நீள விகிதம் |
50%-95% |
|
|
சகிப்புத்தன்மை |
|
|
Φd |
எஃப் 8 |
|
. டி |
எச் 8 |
வரிசைப்படுத்தும் உதாரணம்
மாதிரி: RCR116
பள்ளம் அளவு: 100x89x4.2
பொருள்: ptfe4+nbr

முத்திரை வகை: RCR116
முக்கிய பயன்பாடு: ரோட்டரி தண்டு இறுதி முத்திரைகள், அகழ்வாராய்ச்சிகள், கிராப்பர்கள், ரோட்டரி மூட்டுகள், ரோட்டரி விநியோகஸ்தர்களுக்கு ஏற்றது.
நன்மைகள்: இது பரந்த அளவிலான ஊடகங்கள் மற்றும் வெப்பநிலைக்கு ஏற்றது, நல்ல சீல் விளைவு, சிறிய குறுக்கு வெட்டு அளவு, ஹைட்ராலிக் எண்ணெய்க்கு வலுவான எதிர்ப்பு, குறைந்த உராய்வு மற்றும் குச்சி-ஸ்லிப் நிகழ்வு இல்லை.
பொருள்: டெட்ராஃப்ளூரோஎதிலீன் + நைட்ரைல் ரப்பர் அல்லது ஃப்ளோரோரோபர்
|
பள்ளம் எடுத்துக்காட்டுகளை முத்திரையுங்கள் |
பின்வருபவை நிலையான பள்ளம் பரிமாணங்கள் (அளவு வரம்பிற்குள் எந்த அளவின் ரோட்டரி முத்திரைகள் தயாரிக்கப்படலாம்) |
||||||||
|
|
|
. டி |
Φd |
L |
R |
ஓ-ரிங் |
அதிகபட்ச வெளியேற்ற இடைவெளி கள் |
||
|
100bar |
200bar |
||||||||
|
8-39.9 |
ΦD-4.9 |
2.2 |
0.4 |
1.78 |
0.15 |
0.10 |
|||
|
40-79.9 |
Φd-7.5 |
3.2 |
0.6 |
2.62 |
0.20 |
0.15 |
|||
|
80-132.9 |
Φd-11.0 |
4.2 |
1.0 |
3.53 |
0.25 |
0.20 |
|||
|
133-329.9 |
ΦD-15.5 |
6.3 |
1.3 |
5.33 |
0.30 |
0.25 |
|||
|
330-669.9 |
Φd-21.0 |
8.1 |
1.8 |
7.00 |
0.30 |
0.25 |
|||
|
> 670 |
Φd-28.0 |
9.5 |
2.5 |
8.40 |
0.45 |
0.30 |
|||

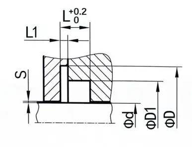
RCR117
ஆர்டர் அளவு
Φd ...... வெளிப்புற விட்டம்
Φd1 ...... வெளிப்புற விட்டம்
Φd ...... உள் விட்டம்
எல் ...... பள்ளம் அகலம்
எல் 1 ...... பள்ளம் அகலம்
|
மேற்பரப்பு பூச்சு |
R tmax (μm) |
ஆர்.ஏ (μm) |
|
நெகிழ் மேற்பரப்பு பொருந்தும் ரப்பர்/பாலியூரிதீன் முத்திரைகள் நெகிழ் மேற்பரப்பு பொருந்தும் PTFE முத்திரைகள் |
.5 .5
≤2 |
≤0.1-0.5
≤0.05-0.3 |
|
பள்ளம் கீழே பள்ளம் பக்க |
≤6.3 ≤15 |
≤1.6 ≤3 |
|
TP சுயவிவர ஆதரவு நீள விகிதம் |
50%-95% |
|
|
சகிப்புத்தன்மை |
|
|
Φd |
எஃப் 8 |
|
. டி |
எச் 8 |
வரிசைப்படுத்தும் உதாரணம்
மாதிரி: RCR117
பள்ளம் அளவு: 100x117.5x110.5x7.1x1.8
பொருள்: ptfe4+v

முத்திரை வகை: RCR117
முக்கிய பயன்பாடு: சுழலும் தண்டு முடிவு சீல் செய்வதற்கு ஏற்றது, இந்த வகை முத்திரை பெரும்பாலும் பெட்ரோலியம் மற்றும் வேதியியல் தொழில்களில் பயன்படுத்தப்படுகிறது
நன்மைகள்: குறைந்த உராய்வு, அரிப்பு எதிர்ப்பு, அதிக வெப்பநிலை எதிர்ப்பு, அதிவேகத்திற்கு ஏற்றது
பொருள்: PTFE, துருப்பிடிக்காத எஃகு வசந்தம்
|
பள்ளம் எடுத்துக்காட்டுகளை முத்திரையுங்கள் |
பின்வருபவை நிலையான பள்ளம் பரிமாணங்கள் (அளவு வரம்பிற்குள் எந்த அளவின் ரோட்டரி முத்திரைகள் தயாரிக்கப்படலாம்) |
|||||||||
|
|
|
Φd |
. டி |
Fd1 |
L |
எல் 1 |
அதிகபட்ச வெளியேற்ற இடைவெளி கள் |
|||
|
20bar |
100bar |
200bar |
||||||||
|
5-19.9 |
Φd+9 |
Φd+5 |
3.6 |
0.85 |
0.25 |
0.15 |
0.10 |
|||
|
20-39.9 |
Φd+12.5 |
Φd+7 |
4.8 |
1.35 |
0.35 |
0.20 |
0.15 |
|||
|
40-399.9 |
Φd+17.5 |
Φd+10.5 |
7.1 |
1.8 |
0.50 |
0.25 |
0.20 |
|||
|
≥400 |
Φd+22 |
Φd+14 |
9.5 |
2.8 |
0.60 |
0.30 |
0.25 |
|||



















































முகவரி
No.1 Ruichen Road, Dongliuting Industrial Park, Chengyang District, Qingdao City, Shandong Province, China
டெல்
மின்னஞ்சல்